產品分類
products
聯係麻豆一区二区 / contact us
地址:上海市金山區楓涇鎮環東一路
郵編:201507
網址:www.missing-tea.com
銷售部
手機:15068285565
電話:021-5648 0189
傳真:021-5186 1633
商務QQ:3038069780
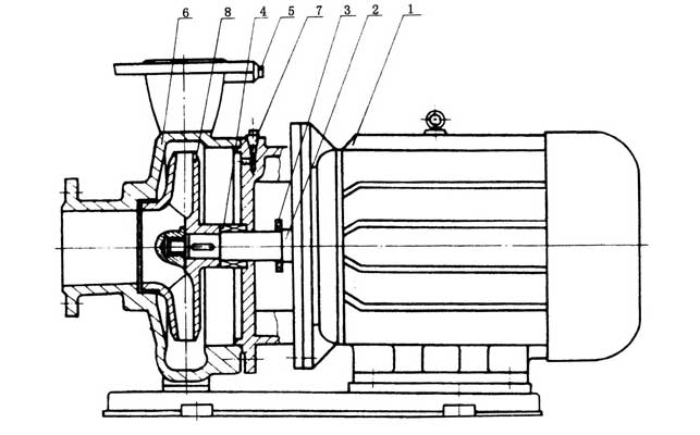
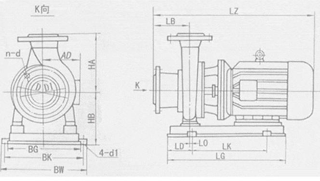
ISW臥式管道離心泵
當前位置:首頁 > ISW臥式管道離心泵ISW臥式管道離心泵
ISW臥式管道離心泵產品特點:
運行平穩:泵軸的絕對同心度及葉輪優異的動靜平衡,保證平穩運行,絕無振動。
滴水不漏:不同材質的硬質合金密封,保證了不同介質輸送均無泄漏。
噪音低:兩個低噪音軸承支撐下的水泵,運轉平穩,除電機微弱聲響,基本無噪音。
故障率低:結構簡單合理,關鍵部分采用國際一流品質;配套,整機無故障工作時間大大提高。
維修方便:更換密封、軸承,簡易方便。
占地更省:出口可向左、向右、向上三個方向,便於管道布置安裝,節省空間。
工作條件:
1、吸入壓力≤1.6MPa,或泵係統最高工作壓力 ≤1.6MPa,即泵吸入口壓力+泵揚程≤1.6MPa、泵靜壓試驗壓力為2.5MPa,訂貨時請注明係統工作壓力。泵係統工作壓力大於1.6MPa時應 在訂貨時另行提出,以便在製造時泵的過流部分和聯接部分采用鑄鋼材料。
2、環境溫度<40℃,相對濕度<95%。< p="">
3、所輸送介質中固體顆粒體積含量不超過單位體積的0.1%,粒度<0.2mm。< p="">
注:如使用介質為帶有細小顆粒,請在訂貨時注明,以便廠家采用耐磨式機械密封。
適用範圍
1、ISW臥式清水泵,供輸送清水及物理化學性質類似於清水的其他液體之用,適用於工業和城市給排水,高層建築增壓送水,園林噴灌,消防增壓,遠距離輸送,暖通製冷循環、浴室等冷暖水循環增壓及設備配套,使用溫度T≤80℃。
2、ISWR臥式熱水泵廣泛適用於:冶金、化工、紡織、造紙、以及賓館飯店等鍋爐熱水增壓循環輸送及城市采暖係統,ISWR型使用溫度T≤120℃。
3、lSWH臥式化工泵,供輸送不含固體顆料,具有腐蝕性,粘度類似於水的液體,適用於石油、化工、冶金、電力、造紙、食品製藥和合成纖維等部門,使用溫度為-20~C~+120℃。
4、lSWB臥式管道油泵,供輸送汽油、煤油、柴油等用油類產品或易燃、易爆液體,被輸送介質溫度為一20~C~+120℃。












